
座机:0523-88211458
传真:0523-88211458
邮箱:tzhlby@163.com
地址:泰州市姜堰区南环西路1002号
一、概述: 1.5CWX系列船用离心旋涡泵供船舶装置饮水、洗涤及卫生用的淡水和海水。 二、泵型号说明: 三、泵的主要性能参数: 泵型号 流量 扬程 (m) 转速 (r/min) 电机功率 (kW) 效率...





一、概述:
1.5CWX系列船用离心旋涡泵供船舶装置饮水、洗涤及卫生用的淡水和海水。
二、泵型号说明:

三、泵的主要性能参数:
| 泵型号 | 流量 |
扬程 (m) |
转速 (r/min) |
电机功率 (kW) |
效率 % |
允许吸高 (m) |
泵质重 (kg) |
备注 | |
| (m3/h) | (l/s) | ||||||||
| 1.5CWX-2 | 3 | 0.83 | 40 | 2900 | 2.2 | 17.5 | 4 | 45 | 电机直联 |
| 1.5CWX-2A | 最大(8m) | 63 | 带托架 | ||||||
| 1.5CWX-3 | 6.5 | 1.8 | 35 | 2900 | 3 | 4 | 45 | 电机直联 | |
| 1.5CWX-3A | 最大(8m) | 60 | 带托架 | ||||||
| 1.5CWX-4 | 10 | 2.8 | 35 | 2900 | 4 | 40 | 4 | 65 | 电机直联 |
| 1.5CWX-4A | 最大(8m) | 84 | 带托架 | ||||||
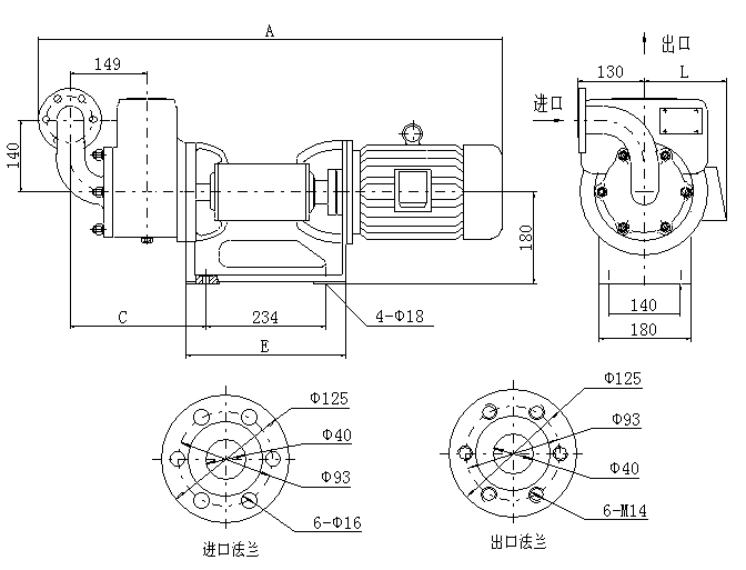
四、外形及按装尺寸:

| 泵型号 | 主要尺寸 | |||||||||
| A | B | C | H | L | I | I1 | I2 | h | ФS | |
| 1.5CWX-2 | 140 | 125 | 56 | 90 | 655.5 | 155 | 180 | 180 | 292.5 | Ф10 |
| 1.5CWX-3 | 160 | 140 | 63 | 100 | 655.5 | 176 | 205 | 190 | 302.5 | Ф12 |
| 1.5CWX-4 | 190 | 140 | 70 | 112 | 655.5 | 180 | 245 | 180 | 314.5 | Ф12 |

| 泵型号 | 主要尺寸 | |||
| A | C | E | I | |
| 1.5CWX-2A | 904.5 | 265 | 312 | 160 |
| 1.5CWX-3A | 934.5 | 265 | 314 | 180 |
| 1.5CWX-4A | 934.5 | 265 | 312 | 180 |
联系我们
当您进入“联系我们”的页面时,您已成为我们尊贵的客户,欢迎您来到我们的官网。我们非常珍惜与每一位客户的相识,用心服务每一位客户,我们努力做到让每一位客户满意!您可以通过以下几种方式联系到我们。